Wednesday, July 19th, 2023 AT 9:10 AM
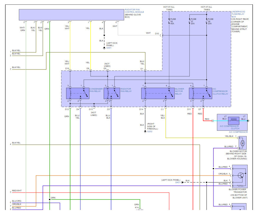
Compressor resistance is 5.1 ohms and engages when direct power is applied. Radiator and condenser fans are working. Assistance with a wiring diagram is much appreciated. Respects!




