Wednesday, May 1st, 2019 AT 12:21 PM
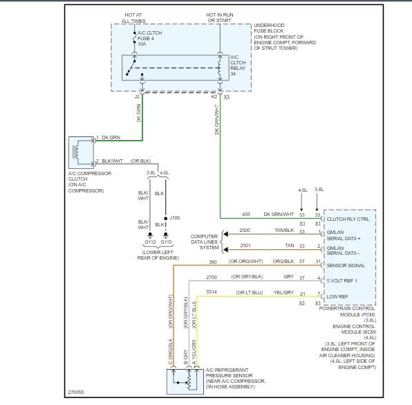
No cold air from conditioner. When engine running and compressor clutch is turning I have no pressure in the low side of the system. When engine is stopped I then show normal pressure in the low side. What may be the reason for these pressures?
