Wednesday, November 15th, 2023 AT 8:37 AM
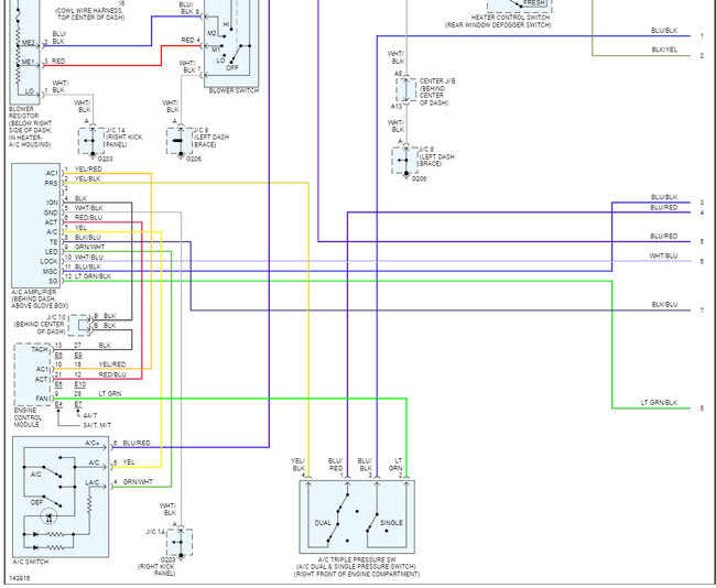
I purchased my car listed above with the A/C amplifier removed and replaced with a mechanical thermostat by the previous owner. My problem is idle drops whenever I turn the A/C on, so I decided to buy a surplus A/C Amplifier and plug it in but when I turn the A/C on only the blower fan works the compressor is not engaging. I've already cleaned the throttle body and replaced IACV.







