I have short term fuel trims ranging from (-10% to -15%) while in drive
So far I've adjusted the Valves lash, Installed New Spark Plugs, New Timing Chain and Tensioner, New Water Pump and New Head Gasket with Resurfacing of cylinder head before installing.
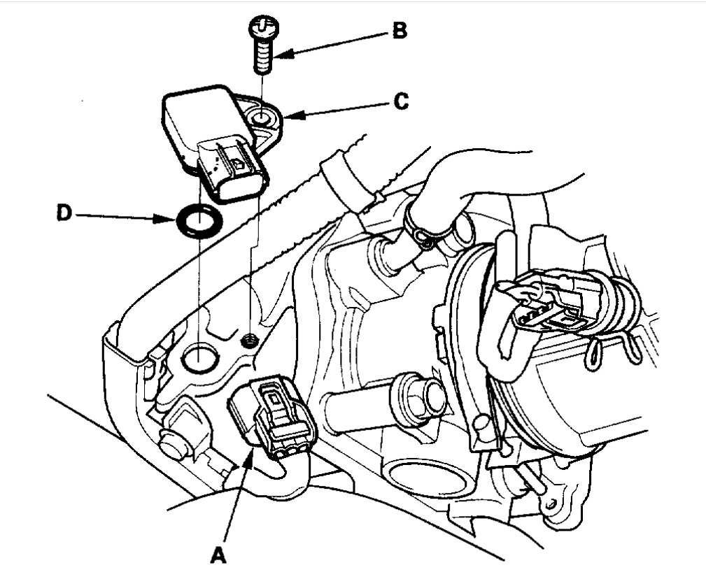
Are there any diagnostic instructions for this issue you can provide me with? I'm considering replacing the ECT Sensor or MAP sensor.
Sunday, July 28th, 2024 AT 7:09 PM












