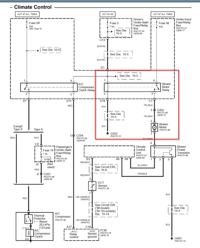
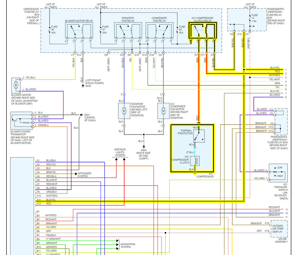
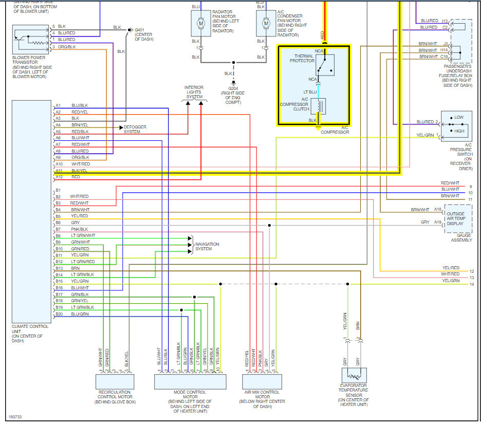
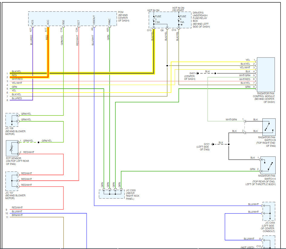
Wednesday, June 23rd, 2010 AT 12:17 PM
Actually when the car is running neither the A/C nor the fan are working. The A/C is charged (I have checked) but the fan isn't even blowing when the A/C isn't on. Could this be a fuse? Or a connection? Your help would be appreciated.










