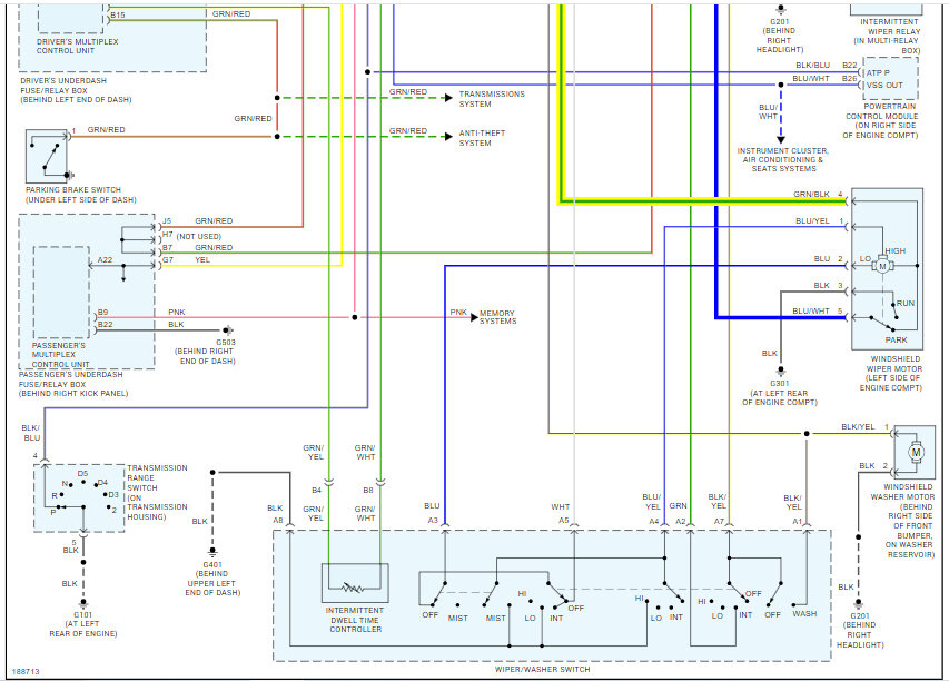
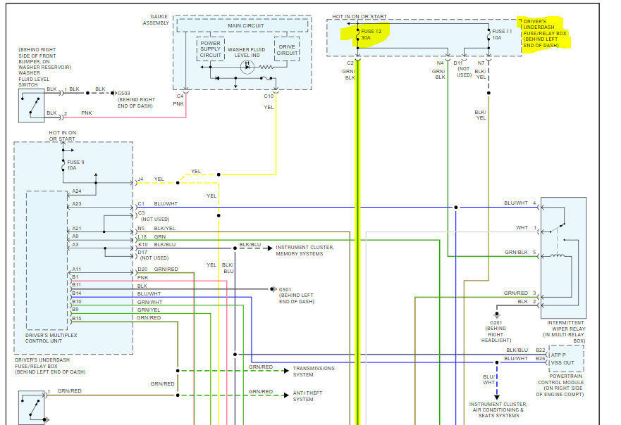
Hi, my windshield wipers unfortunately got stuck in the drying mechanism of my local car wash. They were a little tweaked when I left, so I tried to move them, thinking maybe they were jammed. The mechanic came out, and moved them, but now they are stuck in the up position, and will not move. Any idea what might be the problem, and how big of a repair bill might I expect (above 1K, below 1K) Thanks for your help.
Feb 20, 2009 at 9:35 PM


