Tuesday, July 26th, 2022 AT 4:03 AM
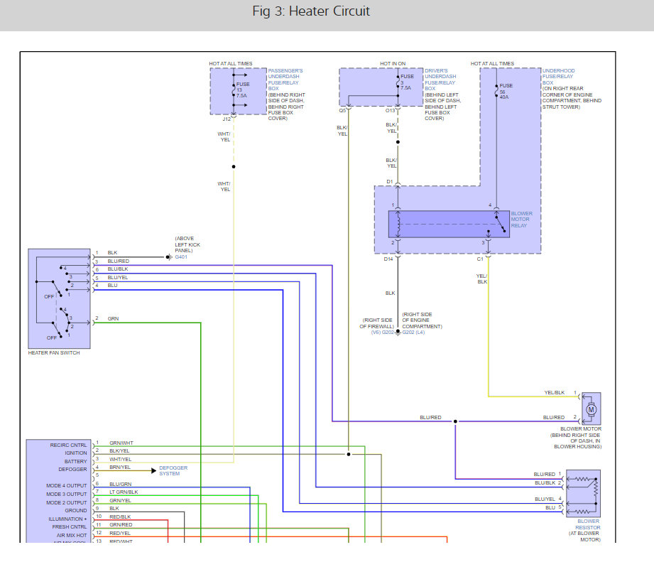
When working all functions seem to work normally. Turning fan control from off, if mode LED illuminates, system works, air controls direct air properly heat/cold respond. When LEDs do not illuminate, fan speed functions but no other functions work. Is there a way to troubleshoot the power supplies on the control board?










