Thursday, January 21st, 2021 AT 4:32 PM
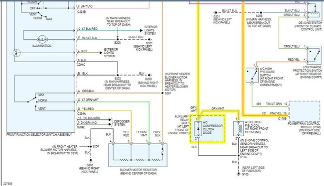
My A/C won't work just bought this used vehicle listed above. Air is not cold nor hot when A/C is on. Noticed under the hood that the A/C compressor clutch is not working. I need help before going and buying a new one. Thanks in advance.





