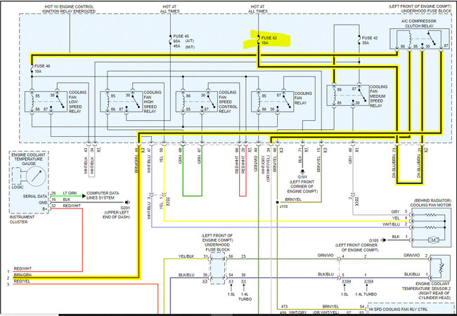
Yesterday, after finding out which fuses to check, I realized the A/C clutch 10 amp fuse was blown. I replaced it, hopped into the vehicle and fired it up. It was blowing cold! I shut it off and ran inside to brag to the wife on how I had finally fixed the A/C. She came out, started it, and to our disappointment blew nothing but hot air. I checked the fuse and it had blown. I replaced it but this time and the following 3 or 4 times after, I couldn't get the cold air to come back not even for a minute, the fuse simply blew each time. Any help would be more than appreciated.
Saturday, July 24th, 2021 AT 10:24 AM







