Sunday, August 27th, 2023 AT 3:49 PM
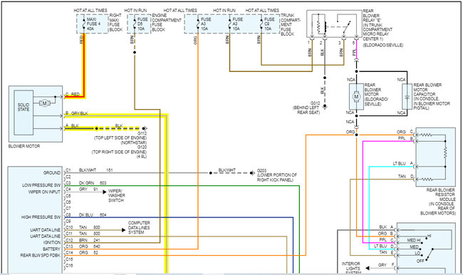
The A/C blower motor worked fine but rarely would turn off but always came back on a couple seconds later. Lately it didn’t come back on, so I replaced it. The next day I drove my car for a little while and it wouldn’t turn off even when I took my keys out for the car. I disconnected my battery and it shut off of course. But now that I’ve reconnected the battery it won’t turn back on at all. It could be that it was an AutoZone part so maybe I need to go pull an OEM one, but I don’t know. Any advice helps.








