I have Bluedriver to read codes, but whenever I try to clear them they will never go away, not even for a moment. Ignore the TPMS codes, I disabled those with my tuner. Sometimes all four wheels speed sensors show fault, sometimes three of four.
Now I am double checking all my wiring. Wiring to the sensors checked out good, as well as the sensors themselves.
I am getting proper voltage at the module, but am concerned about possible shorting or voltage drops under load.
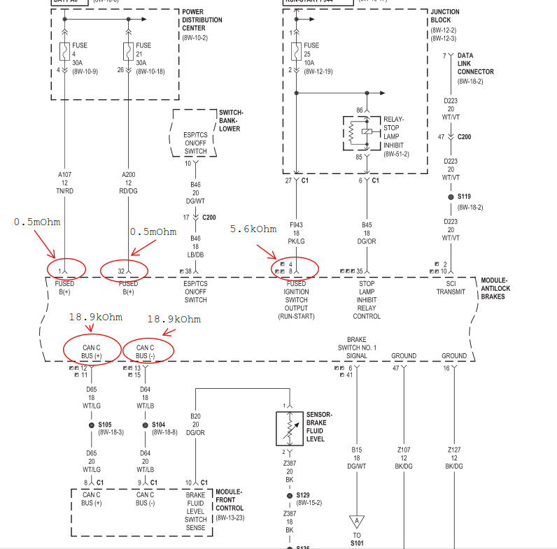
I have got the negative battery cable disconnected, and the main plug at the ABS module disconnected.
I put one lead on ground (body and negative cable showed same results) and checked the pins on the ABS module plug. Here is what I found.
Pins 1 and 32 are constant power, and showed 0.5mOhms to ground. Pin 8 is key on power, and showed 5.6kOhm to ground. Pins 12 & 13 are my canbus and showed 18.9kohm to ground. All other pins were OL which I expected.
Ground pins to actual ground are perfect at 0.2.
So, are those values too low to be concerned with, or is anything other than infinite a problem? I should know this as my full time job deals with similar stuff but I am having a brain fart.
Also, if those values appear good, then any other suggestions? I thought maybe a clock spring, but in this generation of jeep you would usually see steering angle codes and steering wheel centering codes as well.
Tuesday, November 22nd, 2016 AT 11:51 AM





