Friday, September 18th, 2020 AT 11:56 AM
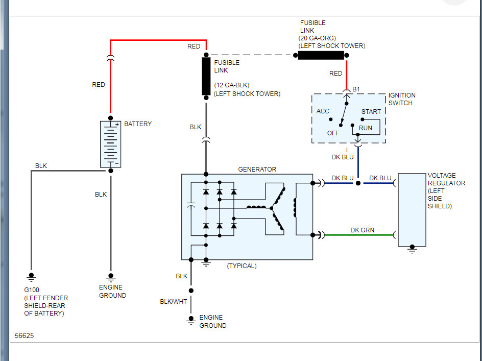
I have the vehicle listed above that suddenly developed an overcharging condition. Carburetor, external voltage regulator. I'm getting 18 volts and climbing at idle with no accessories on, 16.3 volts with lights and fan on (measured at battery). Blue field lead is 17.28 volts/14.28 volts and green field lead is 1.78 volts/1.64 volts with stuff off/on. Blue lead shows continuity and ground with key off, no ground with key in run when disconnected at alternator, coil, and VR. Green lead shows continuity and no ground when disconnected from alternator and VR. Zero ohms resistance between VR negative battery terminal, alternator case, and various other ground points. Battery voltage is about 12.6 and charging system was putting out about 2 volts over that a few months ago when alternator and VR were replaced. Any suggestions would be greatly appreciated. Thanks


