Tuesday, January 10th, 2023 AT 12:10 PM
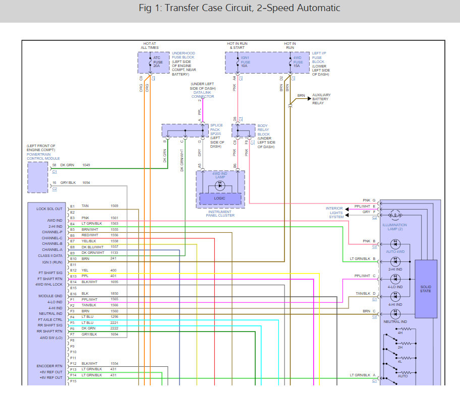
My push button selector lights aren't on, if replaced the buttons and the TCM and it's still not functioning. Where can I go from here, any and all advice is appreciated.







