Thursday, June 16th, 2022 AT 10:38 AM
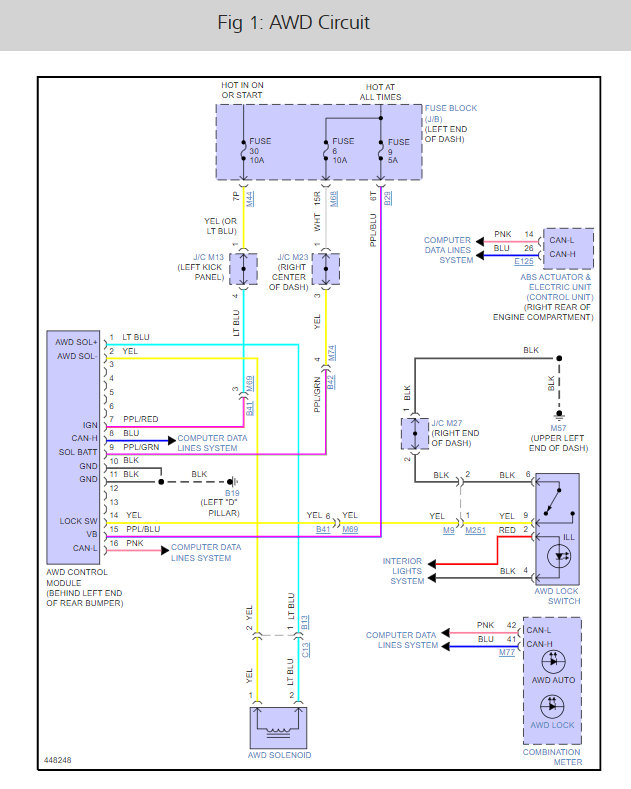
I looked at the dashboard and saw 4x4 indicator green light on, I diagnosed the entire modules, but I didn't see any fault code. At this point I am confused, is that light normal or is it a fault and how do I turn it off?


