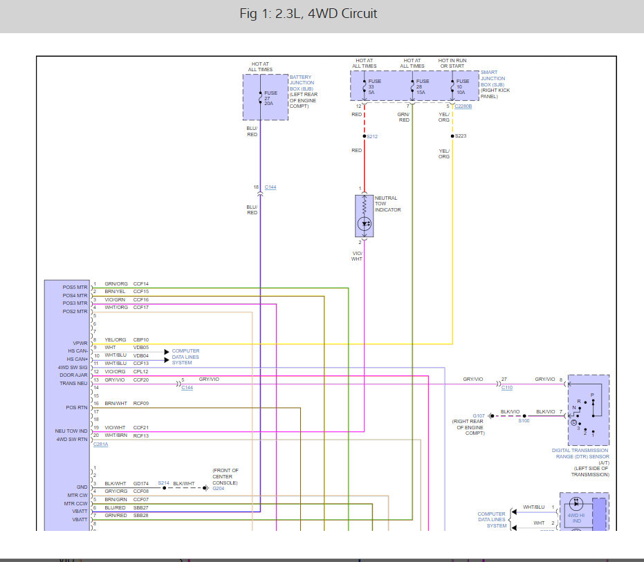
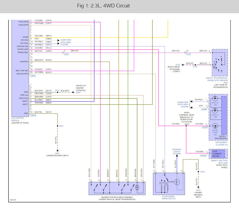
The question is, would this be a problem with the actuator or the transfer box itself, and is there any way of disabling the 4WD system completely until I can diagnose and repair the fault, ie removing the fuse from the fuse box under the bonnet, so it doesn't engage at all, for the time being, as I need to use it to get to work to actually afford to fix it!
Also, when I brought it, it had no service history so I'm not sure when any of the axle, transfer case or gearbox oil was actually changed.
Any help would be greatly received, and I will reply to ASAP.
TIA, Stuart
Thursday, January 12th, 2023 AT 10:22 AM







