Monday, January 2nd, 2017 AT 12:01 PM
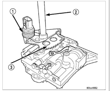
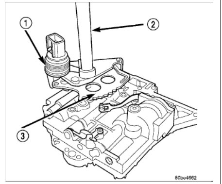
42RLE transmission. Removed valve body to replace the shift solenoid two accumulators the overdrive and underdrive with two springs came out cannot determine locations. One valve body has the number three on the bottom and the other number six. According to the manual one of the valve body's has only one spring, but both of the valve body's that came out have two springs. Can you help me out?























