Just shuts off, all electrical components, lights still on.
Slide into neutral, starts right up.
RPMs seems to drop when at light in drive, foot on brake, foot off gas.
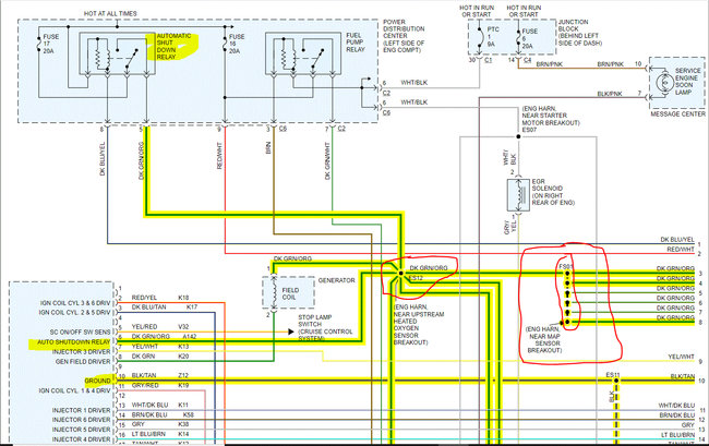
Had it to 3 different mechanics and inquired with Just Answer online (a retired Dodge Mechanic).
No codes.
These are items replaced and is in the order of replacement:
Water pump.
Serpentine belt and tensioner.
Rack and Pinion.
Outer tie rods.
Lower control arms.
Struts.
2 motor mounts.
Plugs, wires, 2 coils.
Alternator.
Front AC coil.
Power steering pump.
Ignition switch.
Intake manifold gasket.
Trans filter fluid.
Various suspension bushings.
Cam sensor.
Idle control valve.
Throttle position sensor.
PCV valve.
Fuel pump, Fuel pressure regulator, fuel Filter.
PCM from Car Computer Exchange. $200.00 They program the refurbished PCM I bought from my VIN.
Cleaned throttle body completely.
Did wire wiggle test on wires I could reach, nothing.
Bad wires/connectors?
Help
Friday, May 21st, 2021 AT 10:27 AM






