Monday, May 20th, 2019 AT 5:17 AM
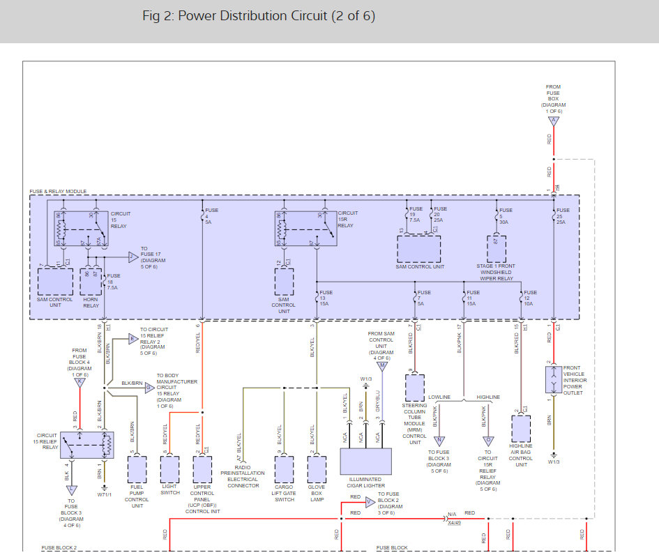
This van is a welfare van and there is a double plug socket in the rear but it’s not working and neither is the microwave which is hard wired. 240 socket.














