Tuesday, February 25th, 2025 AT 6:14 PM
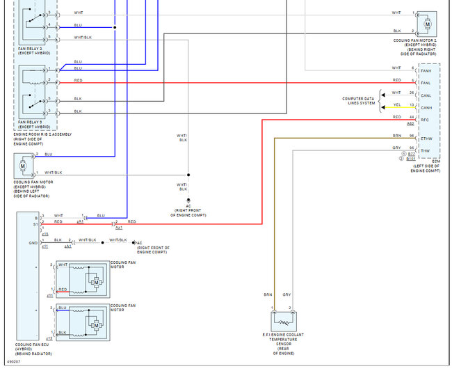
Driving in heavy rush hour traffic, sometimes not moving (idling), noticed coolant temperature approaching hot. Turned engine off, let cool down below 1/2 and reentered interstate, now at near interstate speeds. Made in home about 18 miles and temperature gauge never passed 1/2. I'm thinking stuck/unstuck thermostat or nonfunctioning radiator cooling fan. Please advise.


















