Saturday, August 19th, 2023 AT 1:29 PM
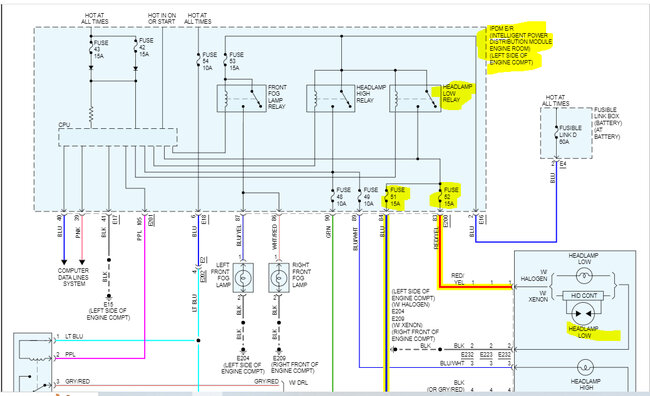
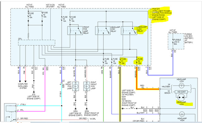
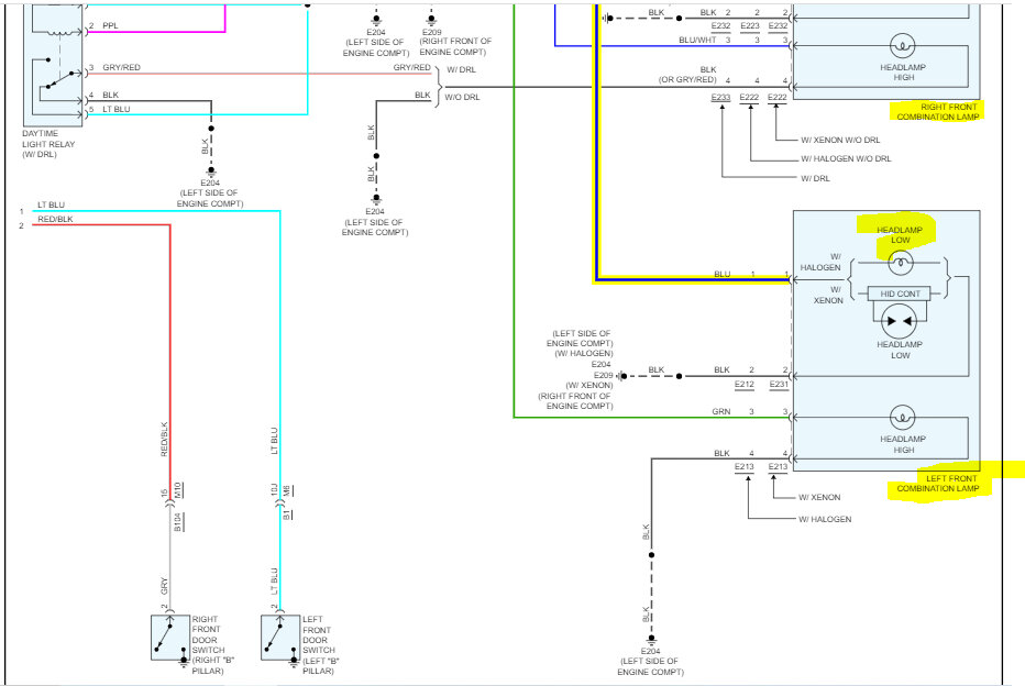
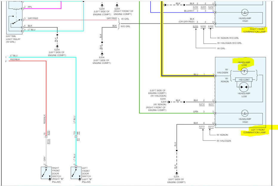
The low beams on both headlights are not turning on. The bulbs are new, and the fuses are good. However, no power goes to fuses or to the headlight socket. The headlight switch attached to the steering column was replaced as well. All other lights including high beams, turn signals, hazards and fog lights are working. I'm thinking it could be a relay, but I don't see a relay for the headlights on the fuse panel under the hood. What else I'm I missing?





