Tuesday, December 3rd, 2019 AT 7:59 AM
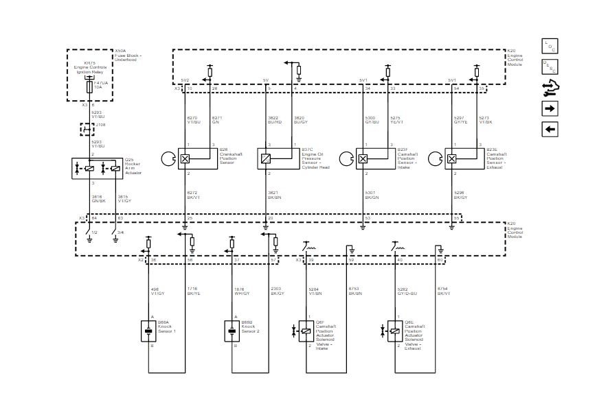
My son's car listed above is the LS model. It has thrown a code P2645 - "A" rocker arm actuator control circuit/open bank 1. I replaced the intake variable valve timing (VVT) solenoid (ACDELCO 12662737) and turned off the check engine light. After driving around 10 miles the check engine light came back on with the same code. My son says there is a hesitation at around 35 to 40 mph. I've turned off the check engine light 3 times and the light comes back on. I replaced the camshaft position sensor and the exhaust variable valve timing (VVT) solenoid at around 57000 miles. I use Pennzoil Platinum 5w20 full synthetic and the last oil change was at 84,000. Any ideas what could be wrong? Thanks.



