Monday, August 3rd, 2015 AT 11:01 AM
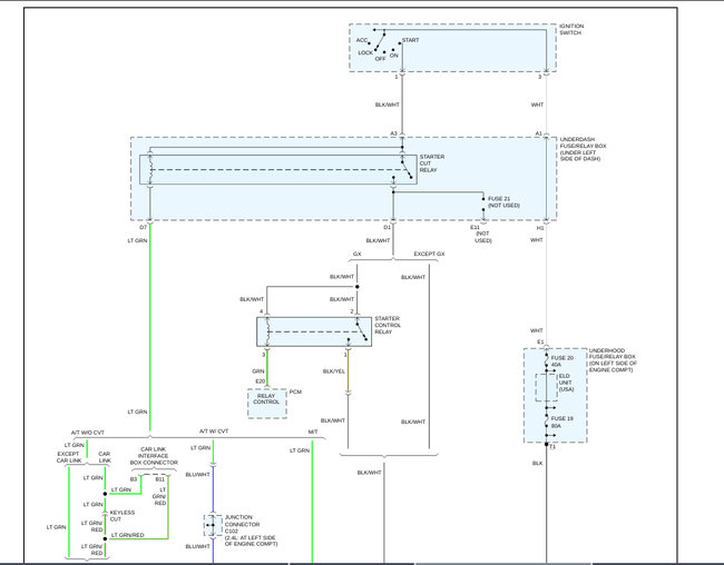
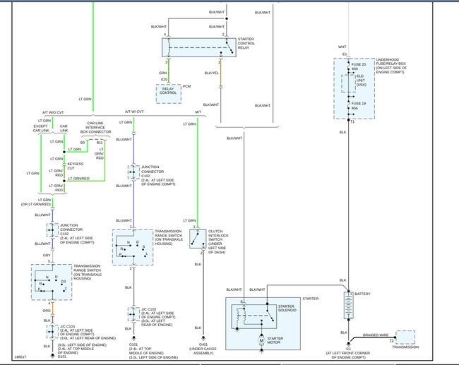
Got a 2013 civic that was involved in front end collection the only damage to the wiring harness under the hood is at the abs model. However the vehicle has no electrical power what so ever. Battery is in good shape and tried hooking jump box to battery as well with no results. No airbag deployment. And help would be appreciated.













