ABS brake warning light on?

2012 TOYOTA CAMRY
62,000 MILES • 2.4L • 4 CYL • 2WD • AUTOMATIC
Avatar
JAM SANI
  • MEMBER
  • 1 POST
Brakes okay. What is wrong with it? Please see video: https://youtu.be/e5BTGWyY4C0
Nov 6, 2020 at 9:10 AM
Advertisement
Avatar
ASEMASTER6371
  • CERTIFIED EXPERT
  • 52,796 POSTS
Good afternoon,

You have a failure in the ABS system. There is a fault code stored and that is the reason For the trac light as well.

https://www.2carpros.com/articles/abs-warning-light-on-easy-repair-guide

A parts store will read the code for free for you. Once you know the code, I can help track the area of failure. In a lot of cases, it is a wheel speed sensor.

https://www.2carpros.com/articles/abs-wheel-speed-sensor-test

Roy
Nov 6, 2020 at 11:41 AM
Avatar
STRAILER
  • CERTIFIED EXPERT
  • 53,889 POSTS
It sounds like you may have a wheel speed sensor that is out. These videos will help us find the problem:

https://youtu.be/rTtAnsOlZU4

and

https://youtu.be/Pb6nXV-iamI

and

https://youtu.be/ANWVTh2RQoQ

and

https://www.2carpros.com/articles/abs-warning-light-on-easy-repair-guide

Please run down these guides and report back.
Mar 10, 2021 at 1:41 PM
Advertisement
Avatar
LEEMAN SEBASTIAN
  • MEMBER
  • 1 POST
I recently brought my car to an auto shop but they could not find the problem. They did a diagnose on my car but the mechanic said it could be a deeper issue and they do not have the stuff to do it. Apparently, there is something wrong the ABS. I found out that some inner coil is not connecting to the ground. I have a device that detected the "ABS Inlet Valve Circuit short to ground" and "a low battery positive voltage." Not sure the first one means but I have a feeling the next one might be the reason for the problem. I am sure you have come across some situation like this. Please help. Is it going to affect my car in the future? Like immediately or can I schedule another appointment to fix this problem? Your answer is much appreciated. Thank you.
Mar 10, 2021 at 1:42 PM (Merged)
Avatar
STRAILER
  • CERTIFIED EXPERT
  • 53,889 POSTS
Hello,

The first thing to do is check the charging system. Here is a guide to help you see what to do, also is this a hybrid?

https://www.2carpros.com/articles/how-to-check-a-car-alternator

It sounds like you may have a wheel speed sensor that is out. These videos will help us find the problem.

https://youtu.be/rTtAnsOlZU4

and

https://youtu.be/Pb6nXV-iamI

and

https://youtu.be/ANWVTh2RQoQ

and

https://www.2carpros.com/articles/abs-warning-light-on-easy-repair-guide

Please run down these guides and report back.
Mar 10, 2021 at 1:42 PM (Merged)
Avatar
TKOMZY
  • MEMBER
  • 2 POSTS
Just today, the brake and the ABS light came on and off as I drives. But my brakes works perfectly and there is no leak according to a nearby mechanic. I just want to know if I should worry over this or I should not.

Thank you
Mar 10, 2021 at 1:42 PM (Merged)
Avatar
ASEMASTER6371
  • CERTIFIED EXPERT
  • 52,796 POSTS
Good afternoon.

You have a fault code in the ABS system. This system is separate from the normal brakes you have. The only thing is you do not have the protection of ABS in a panic stop situation.

Can you drive it, yes. I would not ignore it at all. I would have the system scanned for the failure and at least get an estimate of the repair.

Roy

https://www.2carpros.com/articles/abs-warning-light-on-easy-repair-guide
Mar 10, 2021 at 1:42 PM (Merged)
Avatar
TKOMZY
  • MEMBER
  • 2 POSTS
Thank you Sir for the reply.

How much do you think this might cost and where can I repair it?
Mar 10, 2021 at 1:42 PM (Merged)
Avatar
ASEMASTER6371
  • CERTIFIED EXPERT
  • 52,796 POSTS
Once you have the fault code read and you give me the code, I can give you a rough estimate.

You can go to a parts store and they will read it for you for free.

Roy
Mar 10, 2021 at 1:42 PM (Merged)
Avatar
MUSTAFA ALTEMIMI
  • MEMBER
  • 9 POSTS
Hi,
My problem is when the car is started, ABS light is off, with abnormal brake sound with shaky speedometer needle until the car reach 40 km/h.
The ABS light comes on, the brake doing fine and the speedometer needle doing well.
How can I fix this?
Thanks for help.
Mar 10, 2021 at 1:42 PM (Merged)
Avatar
ASEMASTER6371
  • CERTIFIED EXPERT
  • 52,796 POSTS
Good morning.

There is a code stored in the ABS module for a failure. We need that code to further track down the area of failure.

As far as abnormal braking, can you explain this further?

The speedometer issue does it stop working or is it just not consistent?

Roy

https://www.2carpros.com/articles/abs-warning-light-on-easy-repair-guide

https://www.2carpros.com/articles/brake-system-warning-light-on
Mar 10, 2021 at 1:42 PM (Merged)
Avatar
CARL DREW
  • MEMBER
  • 1 POST
Have ABS light on. Scanned code C1300. what is the problem and Part
number and location of part?
Mar 10, 2021 at 1:42 PM (Merged)
Avatar
ASEMASTER6371
  • CERTIFIED EXPERT
  • 52,796 POSTS
Good morning,

I attached the flow chart for you below. Diagnostics need to be done to determine the failure.

https://www.2carpros.com/articles/abs-warning-light-on-easy-repair-guide

Codes rarely identify bad parts, just a failed system

In a lot of cases, the module itself is the issue but needs to be confirmed with testing.

https://www.2carpros.com/articles/how-to-check-wiring

Roy

SKID CONTROL ECU ASSY
REPLACEMENT
1. REMOVE INSTRUMENT PANEL UNDER COVER SUB-ASSY NO. 1
2. REMOVE INSTRUMENT PANEL SUB-ASSY LOWER


imageOpen In New TabZoom/Print


3. REMOVE SKID CONTROL ECU ASSY
a. Remove the 2 nuts and disconnect the skid control ECU from the reinforcement.
b. Disconnect the skid control ECU connectors and remove the skid control ECU assy.


imageOpen In New TabZoom/Print


4. INSTALL SKID CONTROL ECU ASSY
a. Connect the skid control ECU connectors.
b. Install the skid control ECU to the reinforcement with the 2 nuts.
Torque: 5.5 Nm (56 kgf-cm, 49 inch lbs.)
5. INSTALL INSTRUMENT PANEL SUB-ASSY LOWER
6. INSTALL INSTRUMENT PANEL UNDER COVER SUB-ASSY NO. 1
7. PERFORM YAWRATE SENSOR ZERO POINT CALIBRATION (W/ VSC)
8. PERFORM DECELERATION SENSOR ZERO POINT CALIBRATION (W/ VSC)
9. CHECK VSC SENSOR SIGNAL (W/ VSC)
Mar 10, 2021 at 1:42 PM (Merged)
Avatar
IFEOYE
  • MEMBER
  • 2 POSTS
Good Day, please i want to know what causes ABS ligth to be on constant on CAMRY XLE and why does the engine oil keeps blinking occasionaly while drive....what is the cause of this? thank you...wil be expecting ur reply
Mar 10, 2021 at 1:42 PM (Merged)
Avatar
MMPRINCE4000
  • CERTIFIED EXPERT
  • 8,548 POSTS
The ABS light indicates a malfunction in ABS system, this can be a loose wheel sensor or ABS controller or may other things.
You will have to take to a garage that scans "C" (chassis) codes, which is what the ABS system will set if malfunctioning.

If oil level is full, then you most likely have a bad oil pressure sender, but could also be low oil presure.
Have a shop measure oil pressure with a mechanical gauge to verify.
Running an engine with low oil pressure can cause severe damage especially on Toyota engines.
Mar 10, 2021 at 1:42 PM (Merged)
Avatar
MRIGGS
  • MEMBER
  • 1 POST
My father is the owner of the subject vehicle. He explained the problem as the anti-lock brake warning light first illuminating during a short drive and upon turning the vehicles ignition off the "anti-lock brake pump" continued to run. All fluid levels are normal and fuse eventually was removed to stop the "pump" from continuing to run. Unsure of how to address this problem other than taking the vehicle in to the dealer. Any advice is appreciated....
Mar 10, 2021 at 1:42 PM (Merged)
Avatar
DANNY L
  • CERTIFIED EXPERT
  • 5,648 POSTS
Hello, I'm Danny.

This means you have an anti-lock brake code or codes stored in you vehicles computer. This first thing I suggest is to retrieve the code information for us. Here is a video showing what is involved to retrieve anti- lock brake codes:

https://www.youtube.com/watch?v=rTtAnsOlZU4

Once you perform this, get back to us with the code information and we can then properly diagnose. Hope this helps and thanks for using 2CarPros.
Mar 10, 2021 at 1:42 PM (Merged)
Avatar
2CP-ARCHIVES
  • MEMBER
  • 4,540 POSTS
1993 Camry mileage: 75,000. The ABS light stays on and the Toyota dealer told us it would cost about $1,800.00 to repair. Since the car is driven only by me and not used a lot, I would like to skip the repair. The car runs beautifully and the brakes work fine without the ABS. However, we were told we could not pass inspection with the ABS light on. Can we just disconnect the ABS without computer problems? Might the cost be less than $1,800.00 for repair? I learned more about my Camry reading all your other questions and answers.
Mar 10, 2021 at 1:44 PM (Merged)
Avatar
2CP-ARCHIVES
  • MEMBER
  • 4,540 POSTS
We suggest that you get a second opinion from an independent service source. You may find that something as simple as a wheel sensor has failed which would be relatively inexpensive to repair. Question, did the Toyota dealer tell what part of the ABS system failed? Some parts are very expensive. We would never suggest that you disable the ABS system the system was designed to give you an extra margin of safety while braking.
Mar 10, 2021 at 1:44 PM (Merged)
Avatar
LOMBARDI GRAHAM
  • MEMBER
  • 1 POST
My car's ABS light and brake light comes and goes off and on my odometer bounces up and down and the AC starts to run warm when this happens happens. I changed the battery and the alternator is less than a year old. It happens then stops.
Mar 11, 2021 at 12:35 PM (Merged)
Avatar
JACOBANDNICKOLAS
  • CERTIFIED EXPERT
  • 110,175 POSTS
Welcome to 2CarPros.

The first thing I would suggest is to scan the computer for diagnostic trouble codes. Often times that will point you in the right direction.

Here is a quick video showing how it is done:

https://youtu.be/YV3TRZwer8k

I realize that most people don't own a scanner, but often times a parts store will do it for free or lend/rent a scanner to you.

If you have no access, we need to do some basic testing. Anytime the brake and ABS go on and off, I first check to make sure the brake fluid is full. If it is low, it can cause both lights to come on.

Next, if it is full and no codes are found, we need to check the wheel speed sensors on the vehicle. One could be failing, have a corroded connection, or be damaged.

If you look at the first pic below, it shows the locations of a wheel speed sensors. To test them, you need to use some very basic testing equipment that most people have at home. First, here are the directions.

https://www.2carpros.com/articles/abs-wheel-speed-sensor-test

Here are a few links to help with checking:

https://www.2carpros.com/articles/how-to-use-a-test-light-circuit-tester

https://www.2carpros.com/articles/how-to-check-wiring

If you find an issue with one of the sensors, here is a link that explains how in general one is replaced.

https://www.2carpros.com/articles/how-to-replace-an-abs-wheel-speed-sensor

Here are the directions specific to your vehicle. The attached pics correlate with these directions.

REMOVAL

1. REMOVE FRONT WHEEL
2. REMOVE FRONT WHEEL OPENING EXTENSION PAD LH
3. REMOVE FRONT FENDER LINER
4. REMOVE FRONT SPEED SENSOR


pic 2

a. Disconnect the front speed sensor connector and clamp.

pic 3

b. Remove the 2 bolts from the body and the shock absorber assembly.
c. Disengage the 2 claws from the steering knuckle and body.


pic 4

d. Remove the bolt and the front speed sensor.

NOTE:
- Prevent foreign matter from attaching to the sensor tip.
- Clean the installation hole and the surface for the speed sensor every time the speed sensor is removed.

INSTALLATION

1. INSTALL FRONT SPEED SENSOR


pic 5

a. Install the front speed sensor with the bolt.

Torque: 8.0 N.m (82 kgf.cm, 71 in.lbf)

NOTE: Prevent foreign matter from attaching to the sensor tip.


pic 6

b. Install the front speed sensor with the 2 bolts and engage the 2 claws.

Torque:
Bolt A 5.0 N.m (51 kgf.cm, 44 in.lbf)

Bolt B 19 N.m (194 kgf.cm, 14 ft.lbf)

NOTE: Do not twist the wire harness for the front speed sensor when installing the speed sensor.


pic 7


c. Connect the front speed sensor connector and clamp.

2. INSTALL FRONT FENDER LINER
3. INSTALL FRONT WHEEL OPENING EXTENSION PAD LH
4. INSTALL FRONT WHEEL

Torque: 103 N.m (1,050 kgf.cm, 76 ft.lbf)

5. CHECK SPEED SENSOR SIGNAL

__________________________________

Now, if you find that one of the rear sensors is bad, the sensor is part of the hub assembly and will require the hub to be replaced. Here are the directions for that. Again, the attached pictures correlate with these directions. Note, the directions include checking the hub bearing which will not be relevant if the sensor is bad.

REAR AXLE HUB AND BEARING
REAR AXLE HUB AND BEARING

COMPONENTS
pic 8


ON-VEHICLE INSPECTION
1. REMOVE REAR WHEEL
2. SEPARATE REAR DISC BRAKE CALIPER ASSEMBLY
3. REMOVE REAR DISC


pic 9


4. INSPECT REAR AXLE HUB BEARING LOOSENESS
(a) Using a dial indicator, check for looseness near the center of the axle hub.
Maximum: 0.05 mm (0.0020 inch)

NOTICE: Ensure that the dial indicator is set perpendicular to the measurement surface. If looseness exceeds the maximum, replace the axle hub assembly.


pic 10


5. INSPECT REAR AXLE HUB RUNOUT
(a) Using a dial indicator, check for runout on the surface of the axle hub outside the hub bolt.
Maximum: 0.07 mm (0.0027 inch)

NOTICE:
^ Ensure that the dial indicator is set perpendicular to the measurement surface.
^ If runout exceeds the maximum, replace the axle hub assembly.

6. INSTALL REAR DISC
7. INSTALL REAR DISC BRAKE CALIPER ASSEMBLY
8. INSTALL REAR WHEEL
Torque: 103 Nm (1,050 kgf-cm, 76 ft. lbs.)

REMOVAL

HINT:
^ Use the same procedures for the RH side and LH side.
^ The procedures listed below are for the LH side.

1. REMOVE REAR WHEEL
2. SEPARATE REAR DISC BRAKE CALIPER ASSEMBLY
3. REMOVE REAR DISC
4. REMOVE REAR AXLE HUB AND BEARING ASSEMBLY
(a) Disconnect the skid control sensor connector.


pic 11


(b) Remove the 4 bolts and hub and bearing assembly.

INSTALLATION


pic 12


1. INSTALL REAR AXLE HUB AND BEARING ASSEMBLY
(a) Install the hub and bearing assembly with the 4 bolts.
Torque: 80 Nm (816 kgf-cm, 59 ft. lbs.)
(b) Connect the skid control sensor connector.

NOTICE: Do not twist the sensor wire when connecting it.

2. INSPECT REAR AXLE HUB BEARING LOOSENESS
3. INSPECT REAR AXLE HUB RUNOUT
4. INSTALL REAR DISC
5. INSTALL REAR DISC BRAKE CALIPER ASSEMBLY
6. INSTALL REAR WHEEL
Torque: 103 Nm (1,050 kgf-cm, 76 ft. lbs.)

7. CHECK ABS SPEED SENSOR SIGNAL

_________________________________________

Let me know if this helps or if you have other questions.

Take care,
Joe



Mar 11, 2021 at 12:35 PM (Merged)
Avatar
BLIVIT17
  • MEMBER
  • 2 POSTS
New car to us. ABS light. Retrieved codes using method found on Alldata. ABS codes 41,31,32,33,34. All four wheel sensors? 41 code says power source voltage down? No charging, starting or other electrical system problems. Thoughts?
Mar 11, 2021 at 12:50 PM (Merged)
Avatar
JIS001
  • CERTIFIED EXPERT
  • 3,412 POSTS
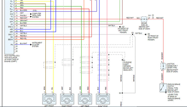
Code 41 should be your main code to focus on and looks like you are on the right track checking battery and charging system. Check your ECU fuse. If faulty replace and recheck for short. If okay back probe ABS connector as instructed in the image below and verify you have twelve volts using a volt meter. If okay then replace the ABS module, Let us know how you do.
Mar 11, 2021 at 12:50 PM (Merged)
Avatar
BLIVIT17
  • MEMBER
  • 2 POSTS
Going for the ABS ECU. Have gone thru all the wiring. All sensors, and wiring ohm out correctly. Car charging no problem. Lights, A/C, wipers, both cooling fans running, car hold 14.2 volts at 1000 rpm no problem. Good voltage and ground at the ECU. Searching for inexpensive one now.
Mar 11, 2021 at 12:50 PM (Merged)
Avatar
STRAILER
  • CERTIFIED EXPERT
  • 53,889 POSTS
Please let us know what happens, we are interested to see what it is.

Cheers, Ken
Mar 11, 2021 at 12:50 PM (Merged)