Saturday, October 26th, 2013 AT 5:41 AM
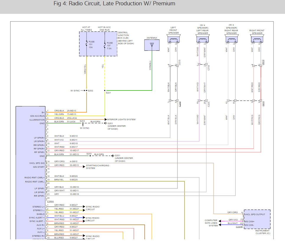
Hi I have a 2012 ford transit van. I am trying to find the front speaker wires at the back of the stereo head unit so four wires in total both + & -. I'm mainly just after the colours and what they correspond to. Any help would be greatly appreciated including any wiring diagrams etc. Thanks.










