Wednesday, January 18th, 2012 AT 5:34 AM
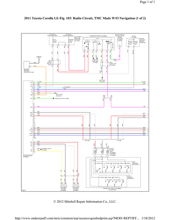
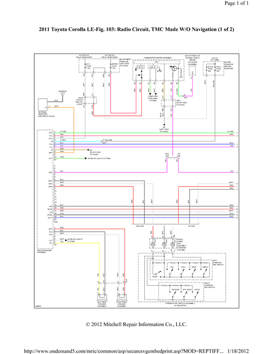
I'm installing a radio to my Toyota Corolla 2011. The car from Europe, but the radio from US 2011 Corolla LE. I need to know 28-pin radio connector pinout. This connector responsible for recieving signals from USB, AUX, speed sensor and etc. Could you help me, please







