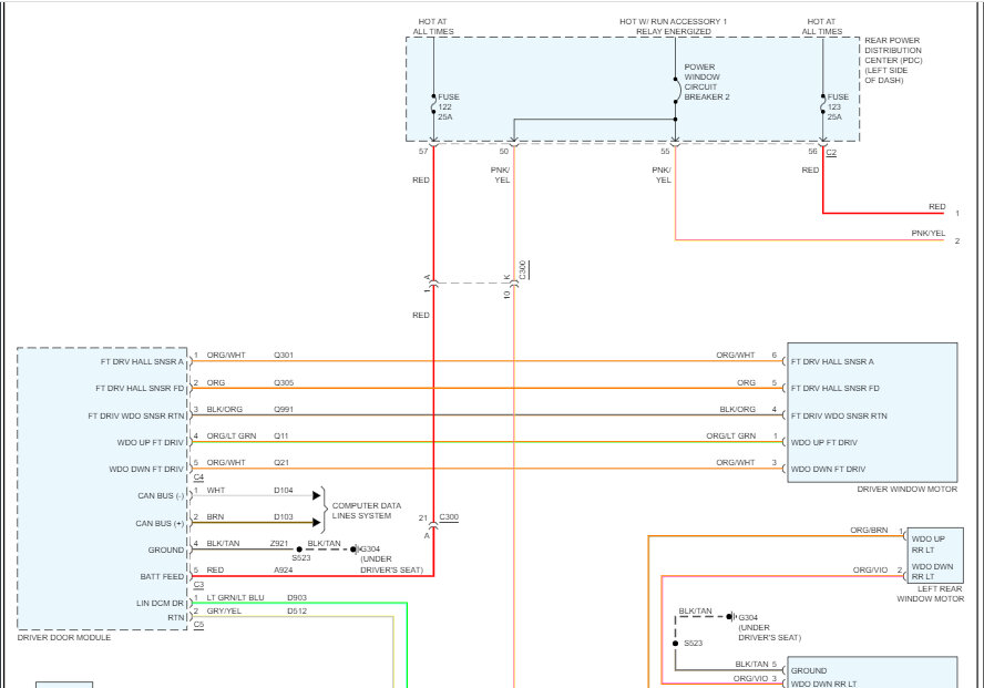
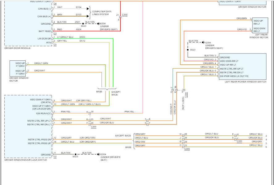
I just need to know the colors at the plug underneath the switch housing for Front left window up, down and the common so I can temporarily wire in a switch. A wiring diagram with the color codes would work. Thanks in advance.
Sunday, July 23rd, 2023 AT 5:35 PM




