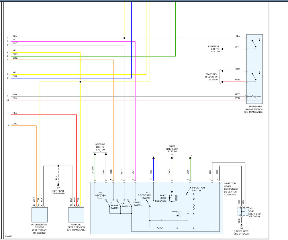
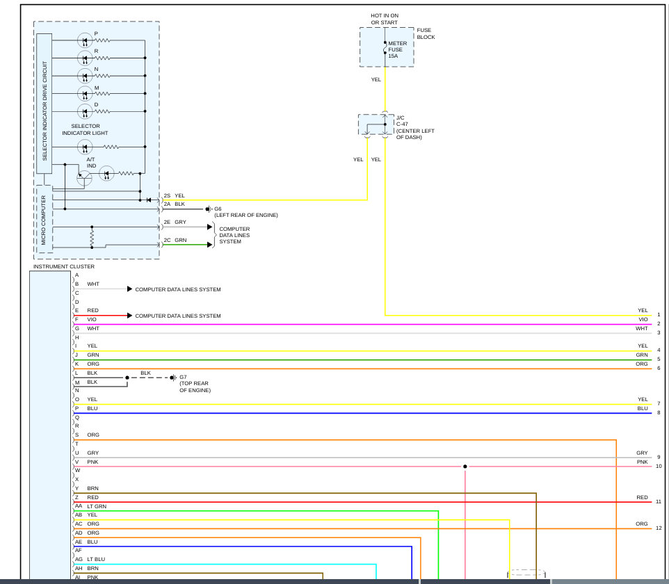
Hello. I keep finding varied information as to the location or actual part. The problem I'm having is a clunking when shifting into reverse from park and again from neutral. It is slow to move when the engine and AT light are on, when they are off the vehicle runs fine. Sometimes while on the highway the car jerks like I have hit something or have put it in reverse, then jerks again in a forward motion after that happens it runs normal again. The code pulled by AutoZone is U0101. Based on other research I find that it's a computer issue and that replacing it might resolve my issue. I need clarification on whether this vehicle has a TCM or do I just need to replace the PCM which is located on the side of my battery box facing the engine. Again thank you for reading and any help you can give me and to others who might come across this.
Feb 19, 2020 at 6:14 AM











