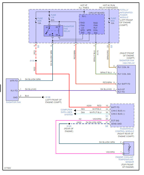
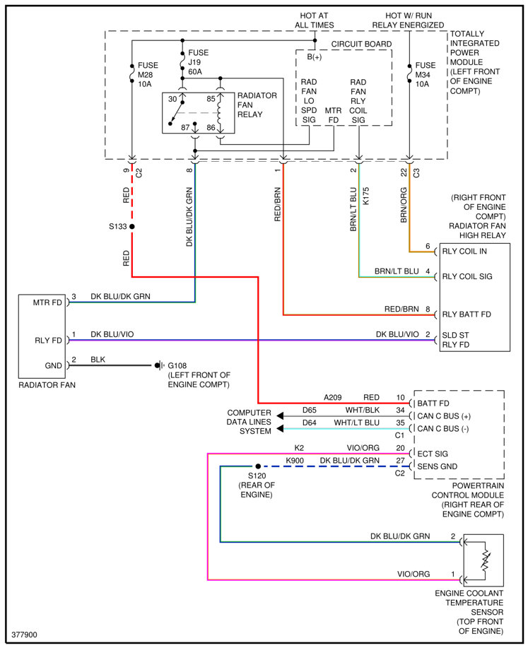
A car came into the shop and had a charging problem. It took me no more than 10 minutes to diagnose the issue and being the voltage regulator in the PCM went bad. Replaced PCM and started the car for the first time in 2 weeks and let it idle to charge the battery. The car overheats while idling. From quick inspection the customer has replaced the radiator and the fan. The reason the vehicle is overheating is because the fans aren’t coming on. Checked radiator fan circuits relays fuses and all. All seem to be working properly. I have ground I have power and pretty sure I have signal. I can only turn the fans on either from my scan tool or by jumping the relay on the fan control. I’m losing my mind checking things. Could a faulty temperature sensor read the correct temperature but not trigger? The PCM to turn the fans on? Could I have bought a faulty PCM that the only thing wrong with it is the fan control? Could I jump the temperature sensor connector together to check if the fans go on that way it’s a bad sensor. I’m lost I’m almost about to wire up a separate unit with a circuit breaker and have it gone off a generic temperature sensor and have the system separate from the PCM. Another question is in the Liberties PCM is it providing ground to close the circuit thus turning the fans I need a diagram please for the radiator fan circuit and for the PCM. I have a couple of TIPMs laying around I tried swapping them out and all the relays. The only sign I had of bad wiring was major corrosion on the fan relay the one next to the headlight. I cleaned up the wire checked for power and ground and put a relay in and nothing still.
Aug 17, 2022 at 6:13 PM





