Monday, June 28th, 2021 AT 6:47 PM
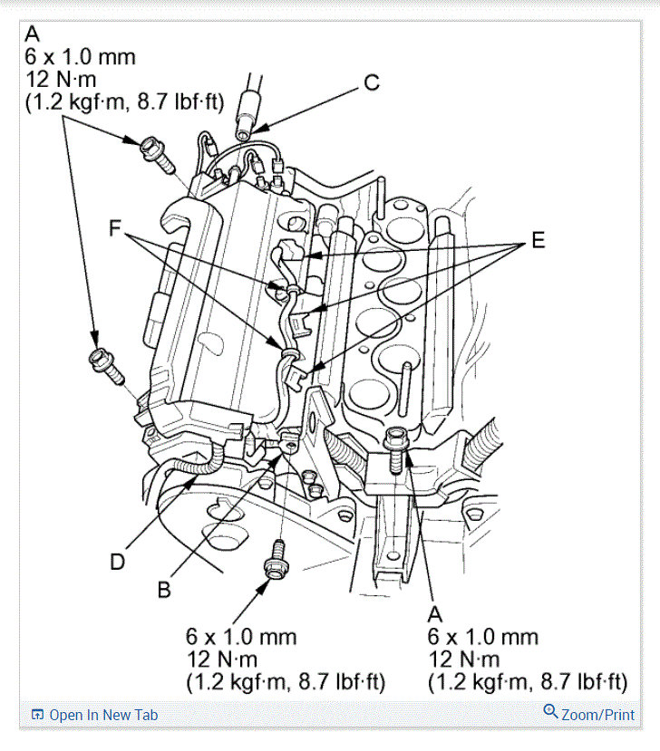
My van has an engine tick and leaks oil. I brought it to a shop and they said the timing belt needed replacing and the valve cover gaskets were leaking. The front gasket leaked and spilled oil onto the alternator. This caused the battery to drain. I had the front gasket replaced and several months later it is now leaking onto the alternator again. My question is, the oil that is leaking now, is it coming from the timing belt wear or would a gasket fail after about 6,000 miles?






















