Doing some checking (and I know enough to be dangerous) and we have a 2013 Honda Civic with working AC.
I checked relays and fuses - they look good.
Turning on the AC on the 2010, the second radiator fan does go on. The compressor clutch doesn't start spinning.
Compressor clutch spins freely on both cars with engine off.
It was blowing cold before this (and I read somewhere, if the radiator fan turns on = Freon pressure okay) so not Freon?
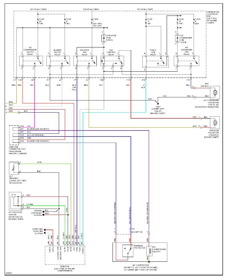
I found a 2006 - 2009 honda civic wiring doc on line. There's a thermal protector on the compressor? I see a 3 wire connector on the starter with wires going down to compressor (on both cars). Opening that connector on the working car stops the compressor, so that's the feed to compressor?
leads 1 and 3 on compressor side of connector both cars have low / no resistance
with that connector connected, on the working car, pins 1 and 3 are hot when compressor is on. Pin 3 is hot when compressor is not running, pin 3 is 0 when compressor is running.
So it seems the compressor is getting power.
a) is there anything short of replacing whole compressor doable? Replace / fix clutch? How do you diagnose clutch is the issue?
b) how much money would you put into this? It's a 2010 civic LX. Looking on ebay, these go for $3,000.00 to $3.500.00. And mine has 150,000 and scratched up front bumper / broken headlight plastic.
Wednesday, May 22nd, 2019 AT 8:33 AM






