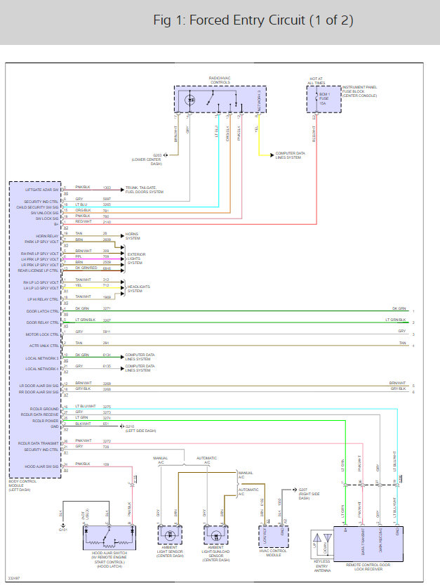
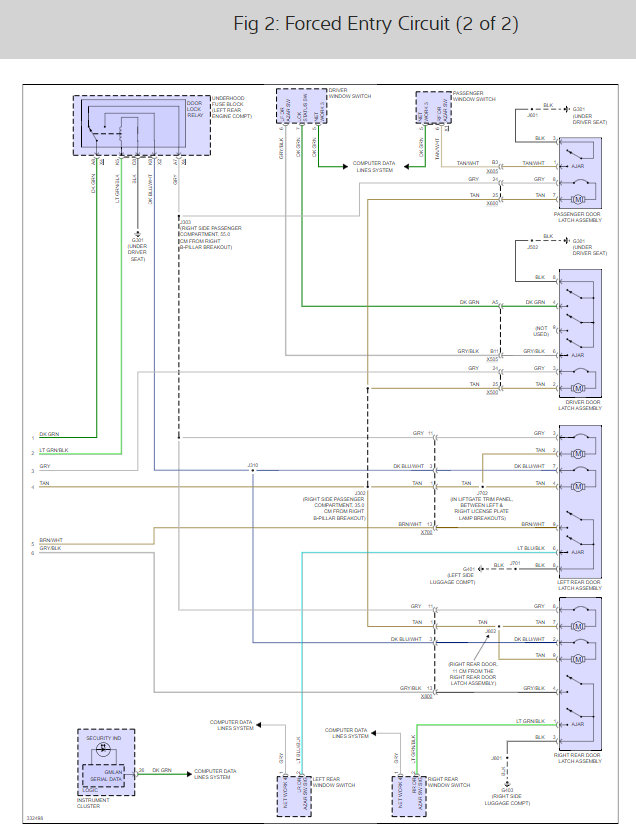
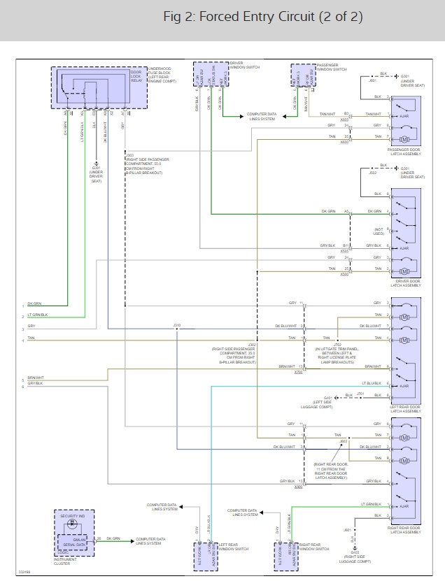
Tuesday, March 20th, 2018 AT 8:19 PM
So we started our vehicle it started fine, we went to the store shut it off came out to leave and it would not start. All lights come on we turn the key over and the car does not try to start or turn over at all. There is an anti theft light lit on the dash like a car symbol with a lock through it. I tried the turn key on wait ten minutes do it three times. That did not work what else can I try?















