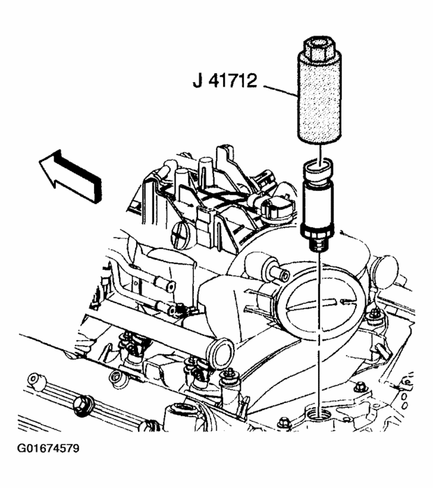
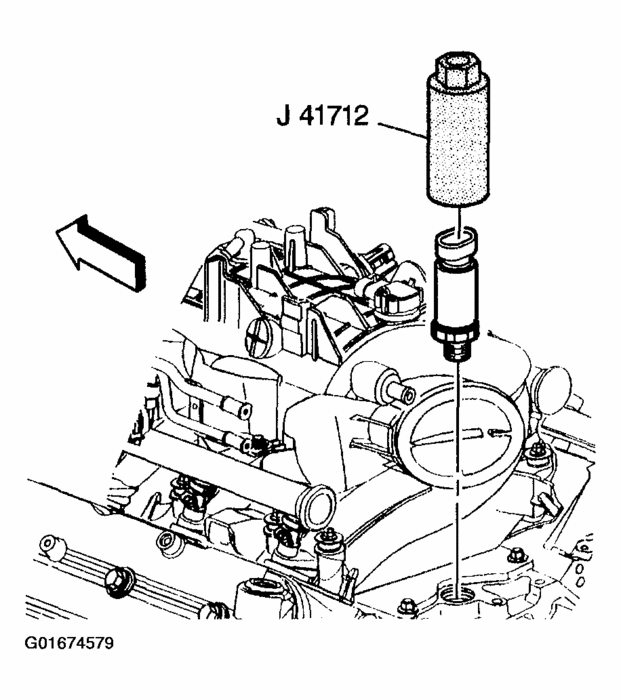
Saturday, April 25th, 2015 AT 11:59 AM
Need to change the switch but can't find it, gauge is fluctuating read that it's because sensor is going bad. Where is the sensor thanks









