Thursday, October 24th, 2013 AT 4:59 PM
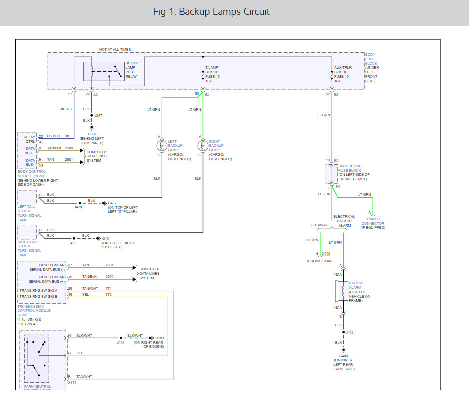
I have checked bulbs wiring fuses under hood there is no safety neutral switch and no reverse light switch on the transmission is there anything else I can check I need to get my van inspected and it will not pass without reverse lights don't know what else to do please help






