Sunday, August 2nd, 2015 AT 10:55 AM
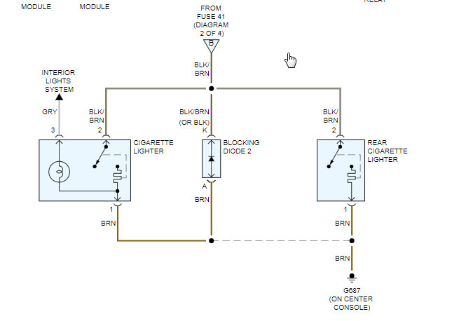
12v outlets do not work. Checked the manual for this and followed it to the passenger side fuse box B. Seen there was no fuses in the slot for the front or the rear. I took another fuse and just tried to do a quick swap but then realized there were no connectors in either slot. What can I do now?





