Friday, February 25th, 2011 AT 4:03 PM
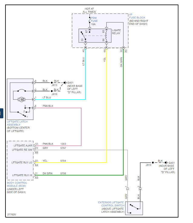
Saturn 2008 outlook.I can't get the manual lift gate to open. I think it is the lock or power to the lock. When working I heard a click when locking or unlocking doors. Now, no noise either locking or unlocking from the lift gate area.


