Monday, July 20th, 2020 AT 11:25 PM
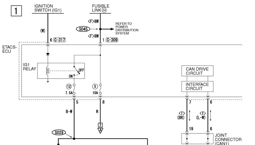
Can someone please tell me what wires I need to wire my car listed above GTS model alternator and how to wire it? A diagram would be very helpful thanks appreciate it.








