Friday, August 25th, 2023 AT 6:06 PM
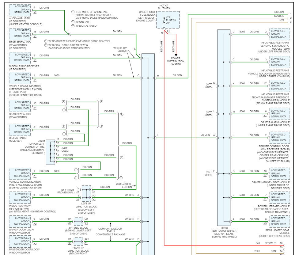
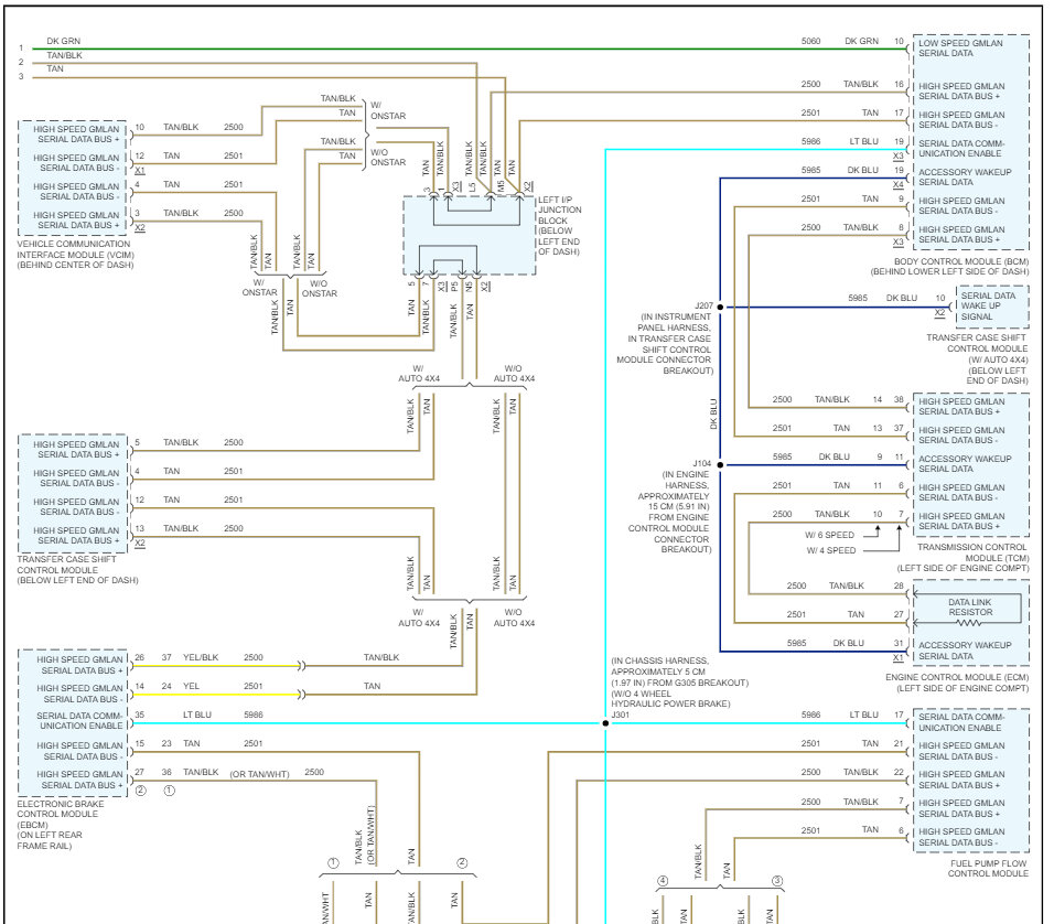
I have had an intermittent problem with my vehicle losing communication. No crank no start door unlocking and locking and so on. I was at work, and it would not do anything. I unplugged battery nothing disconnected ECM nothing TCM nothing but when I disconnected ABS module it fired right up. Not sure what's the main problem?










