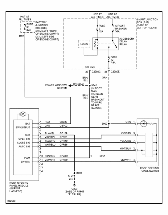
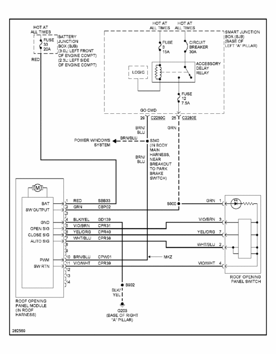
Tuesday, July 19th, 2011 AT 12:39 AM
My interior lights power windows and moon roof still not working after changing fuse. Fuses just blow out. I can't find wiring schematics anywhere. I have spent too much money trying to get answers on how to find the cause of the problem. No one has helped. Is there anyway you could send me schematics?
