Friday, July 19th, 2013 AT 10:19 AM
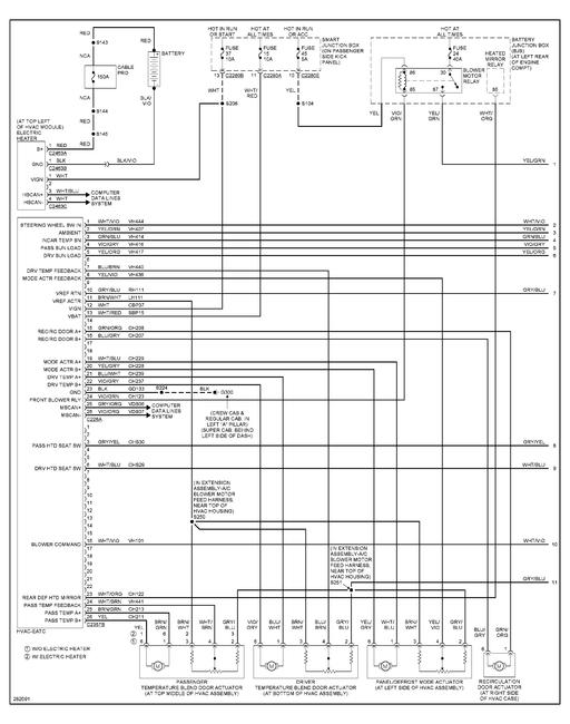
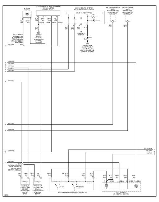
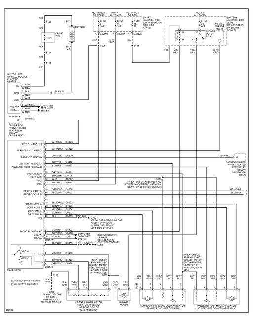
So I am working on my truck and I was told that since nothing was blowing air it would be inside mt cab as in my blower motor or resistor or relay now I have replace mt blower motor and resistor with new ones I had purchased and I swapped a relay I believe was the correct one. Any help my blower motor does not work at all I am not getting power to it at all is there a fuse or where is the correct relay






