Monday, October 29th, 2012 AT 1:46 AM
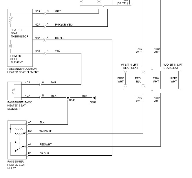
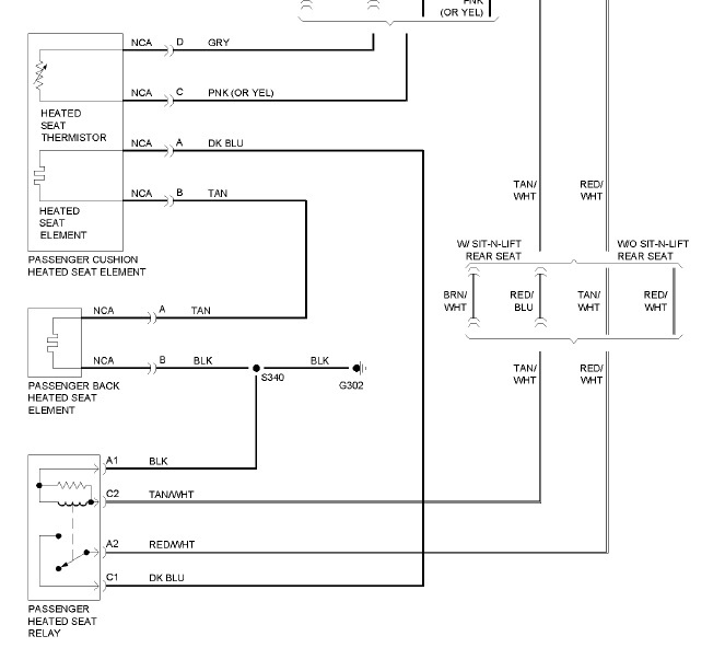
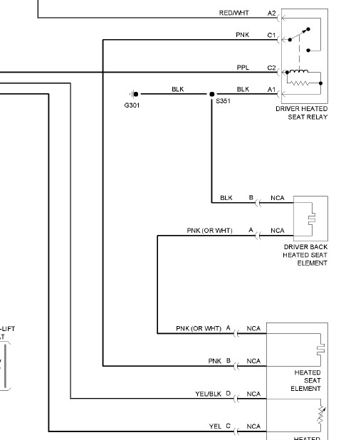
Is there a relay under the passenger seat for the seat heater? I find one under the drivers seat but not the passenger seat. I would like to compare my electrical tests if I could find the one under the passenger seat. The drivers seat heater does not work. Checking for voltage at the relay, I find one wire hot all the time and two that show power after the seat heater switch is turned on, it doesn't matter if it is on low or high, and then there is one other wire that I believe is a ground wire. Does this sound correct? Which wires need to be ohmed to check the heating element out? Everything worked fine until the seat seemed to get extra hot, then it quit working.




