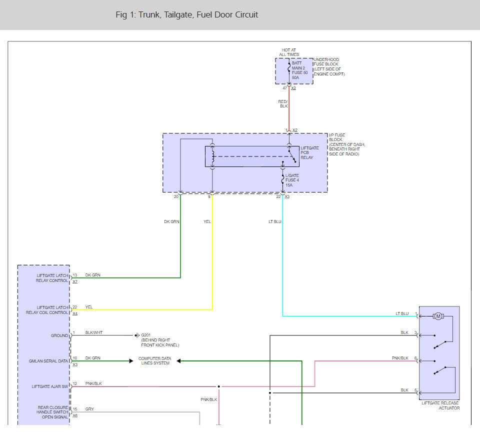
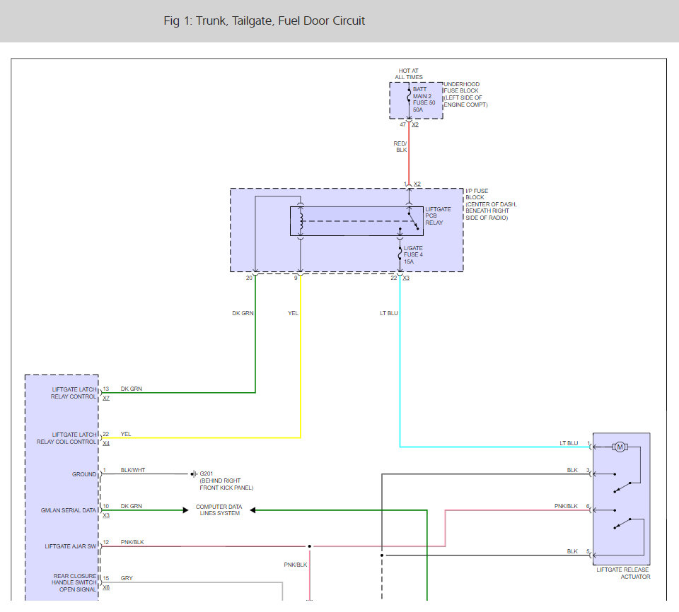
Sunday, August 28th, 2011 AT 5:28 PM
I use the emergency little door and a stick to open rear hatch. I have disconnected the window hatch but that didn't work, still can't open door. I have taken inside panel off and took off hatch handle to clean, still not working. I have checked all fuses, all are good.

