Sunday, November 14th, 2010 AT 4:50 PM
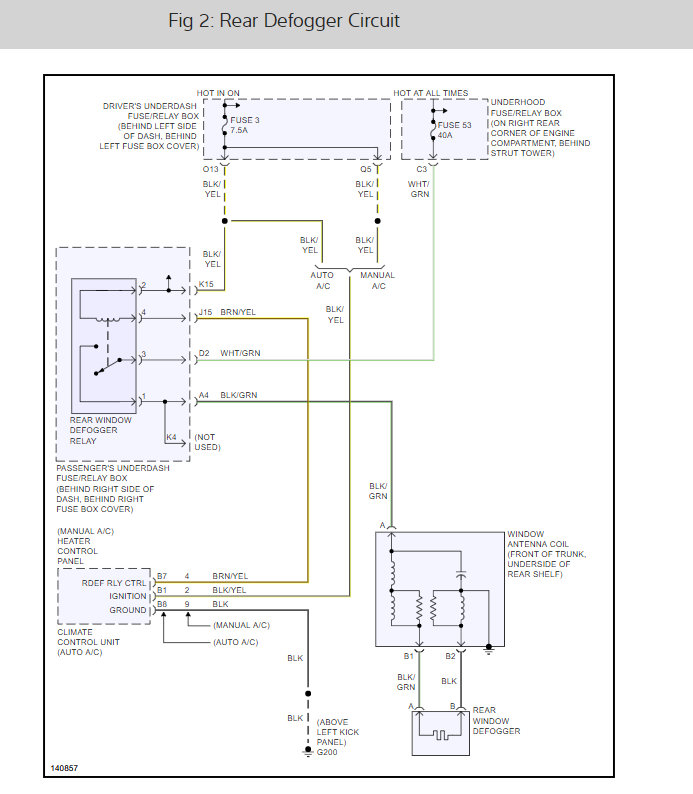
I have a 07 accord. The rear defogger does not work. Fuses are ok checked by dealer. Also radio/ antenna reception is poor. Dealer appt. Needed for troubleshooting thanks
