Tuesday, January 31st, 2012 AT 12:00 PM
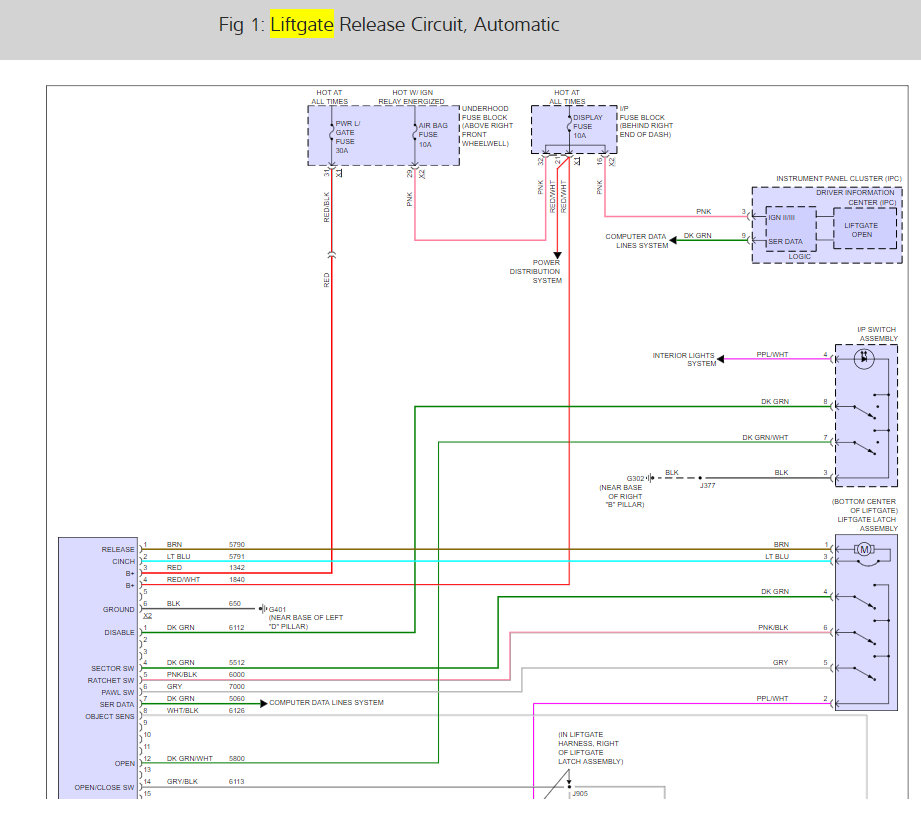
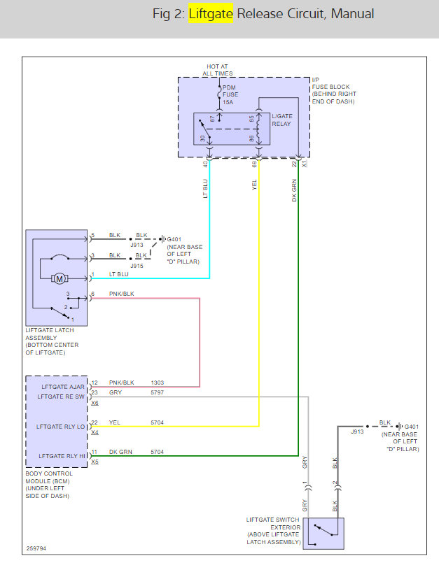
The liftgate would open on its own for about two weeks. Now it gets stuck and we can't open it at all. It is a manual liftgate with touchpad.














