Tuesday, February 23rd, 2021 AT 8:48 AM
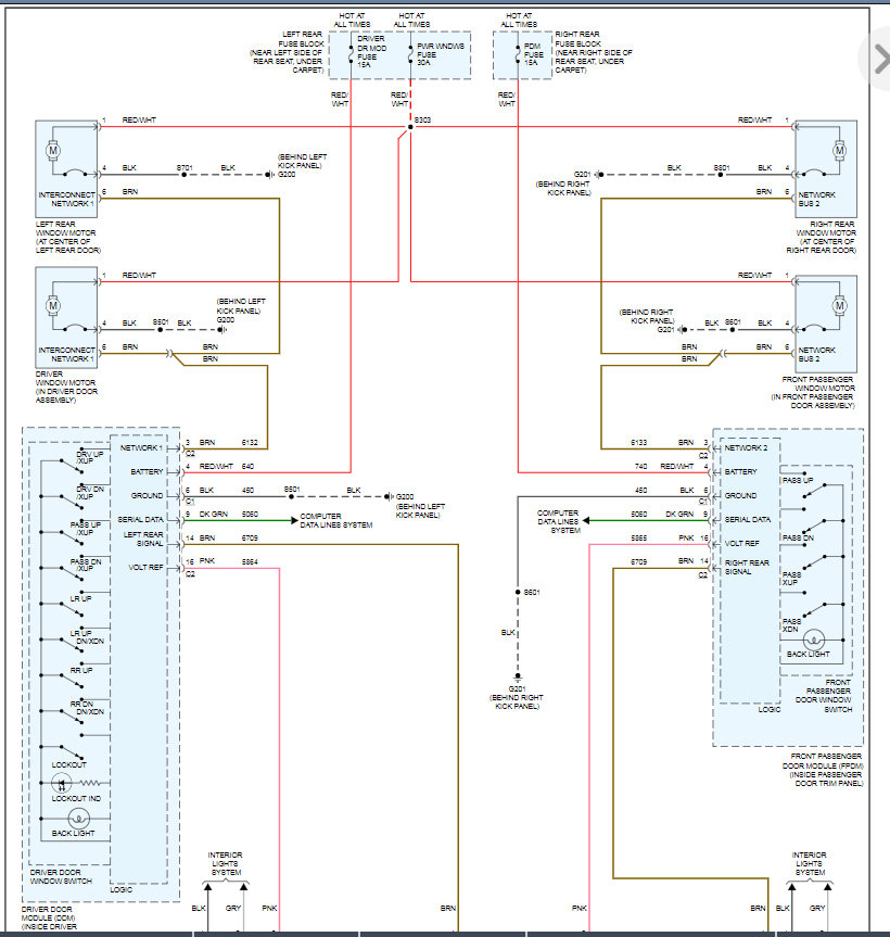
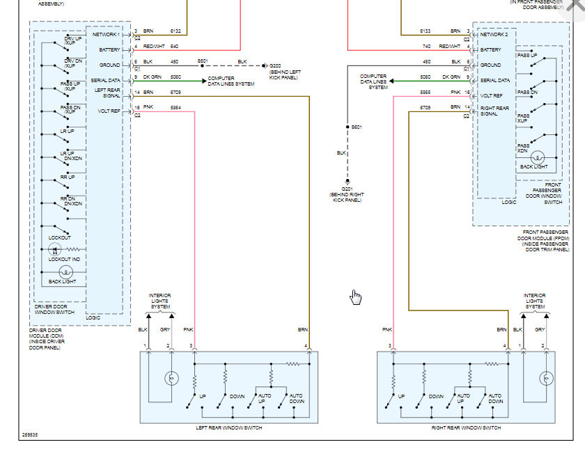
Neither passenger side window will roll down. Passenger side door locks and power mirror controls don’t work from either passenger or driver’s side controls or from buttons on key fob. Also passenger side heated seat does not work, which the control is located on passenger door. All fuses and relays are good. What would cause this issue? Thanks in advance.




