Wednesday, December 28th, 2011 AT 4:42 PM
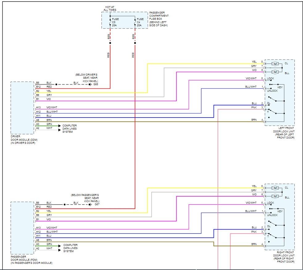
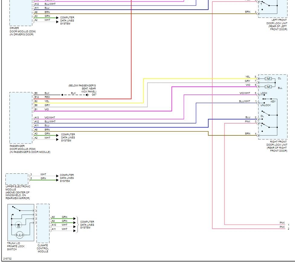
The key fob will lock and unlock the doors, but the button on the inside on the door will only lock the doors. Is this a problem with the power lock module?





