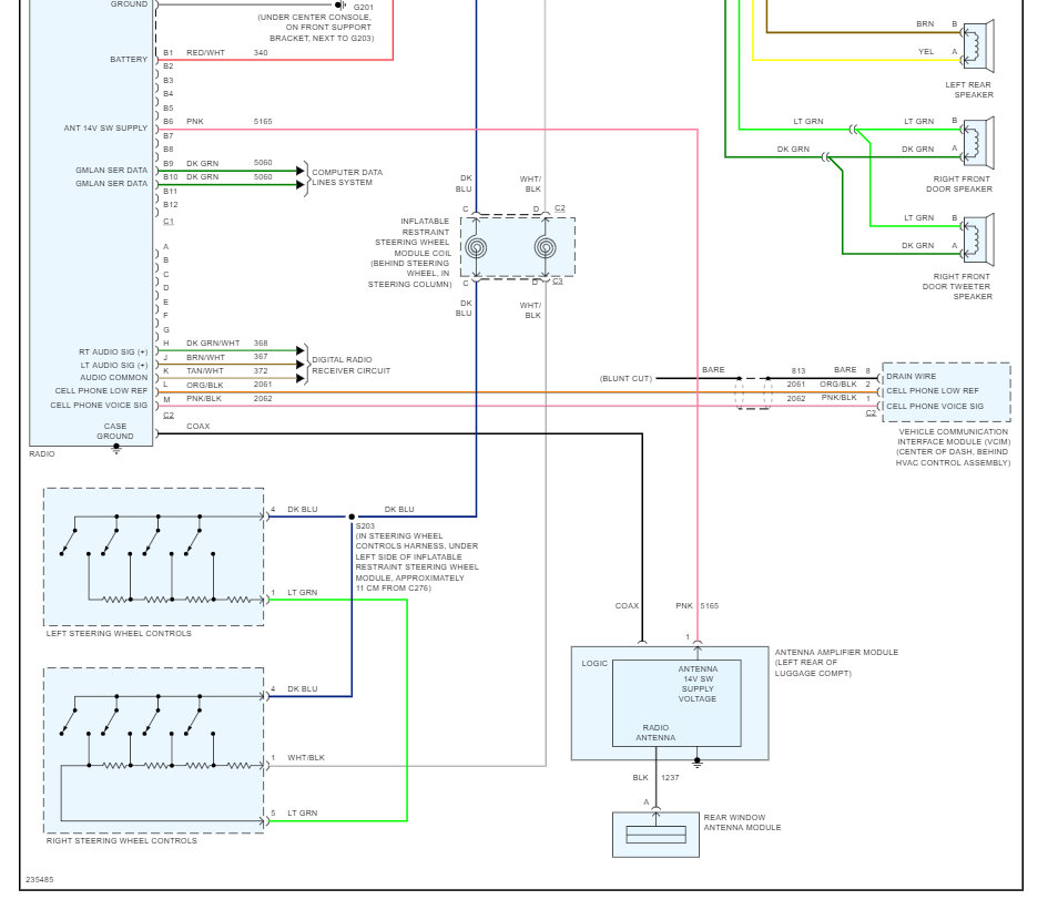
Tuesday, June 4th, 2013 AT 2:08 PM
The shop said when they wiped down the dashboard and engine it stopped working. I checked and changed the fuse and it still does not work. My mechanic said it could be something electrical or just a shortage in the wire.



