Tuesday, December 20th, 2011 AT 1:53 AM
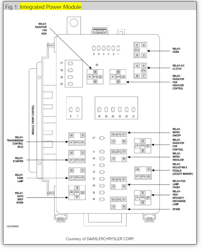
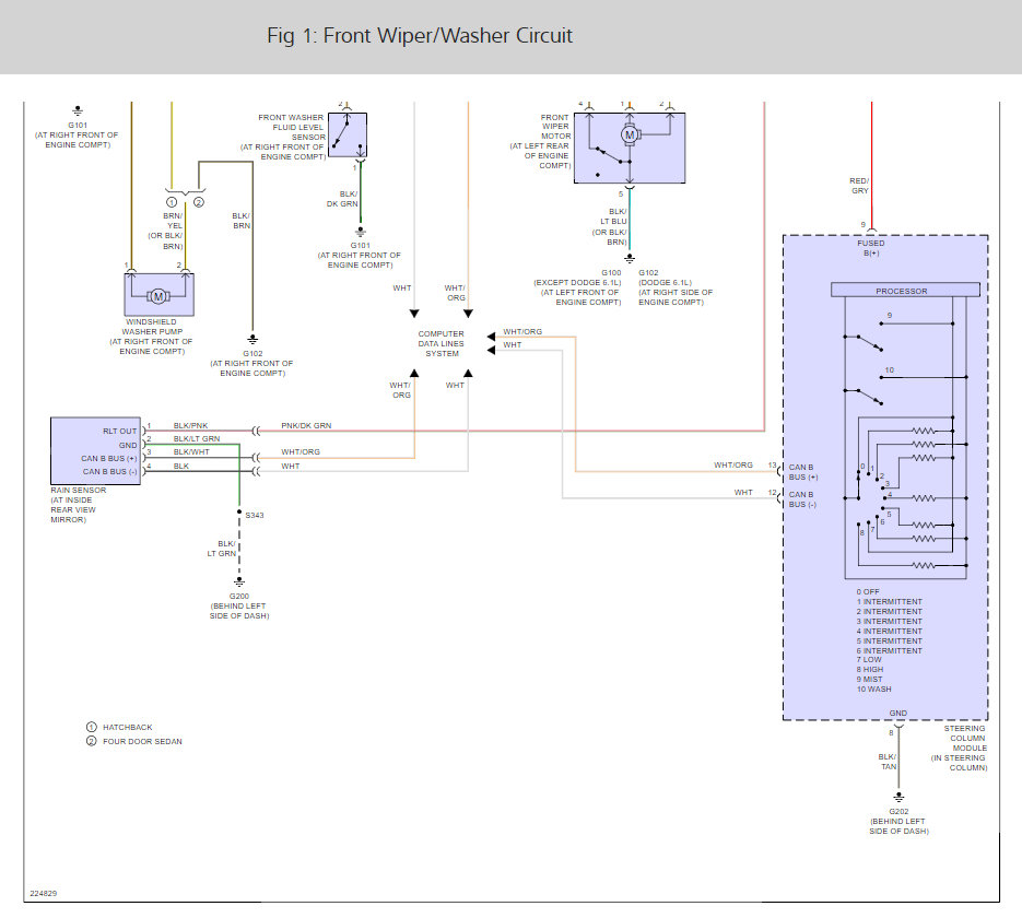
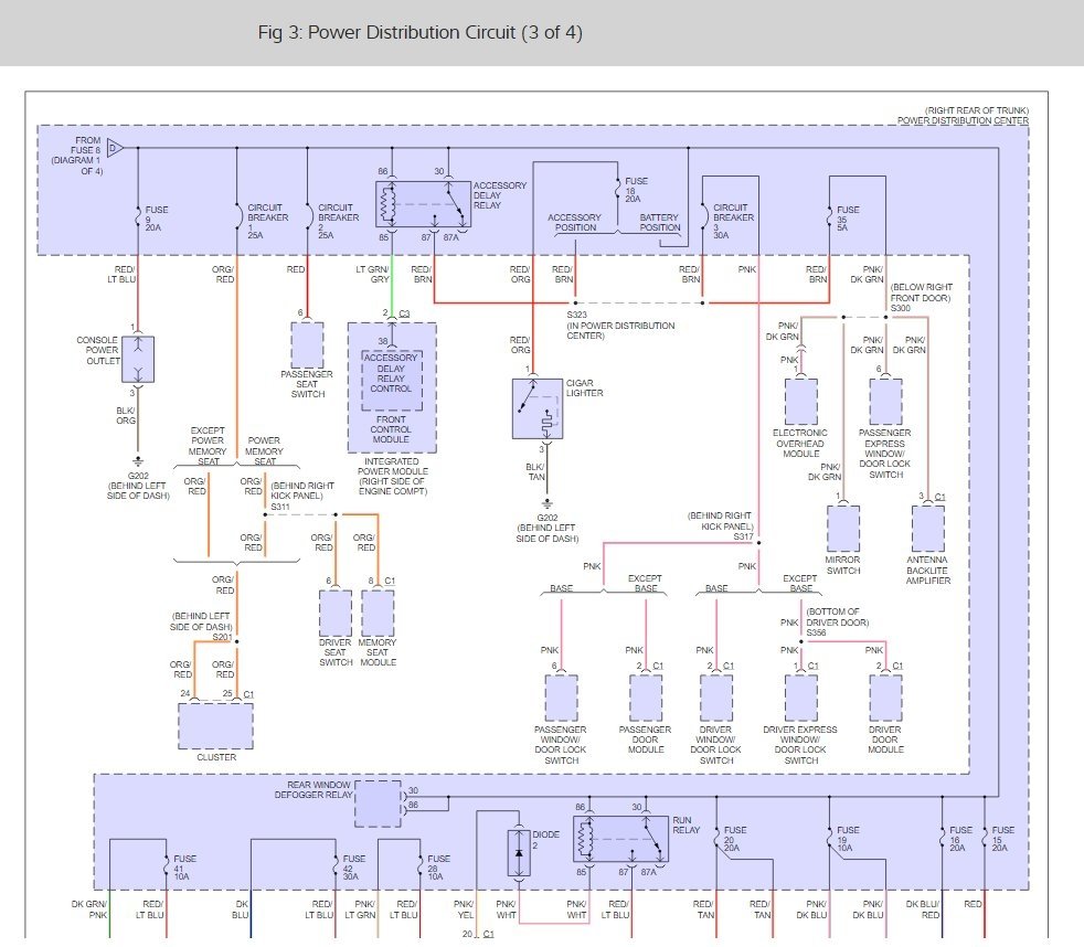
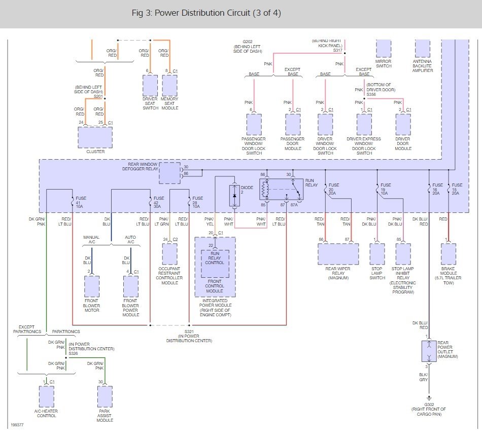
Wiper motor and wiper relay where is the relay located (position in the fuse box) wipers wont work I wanted to start with the wiper relay first


















