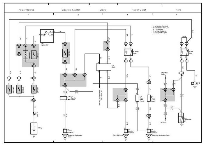
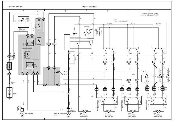
Sunday, February 20th, 2011 AT 5:49 PM
Plugged accessory into cig lighter now will not go into gear, PW's and gauges don't work. Fuses good. What could the problem be?



