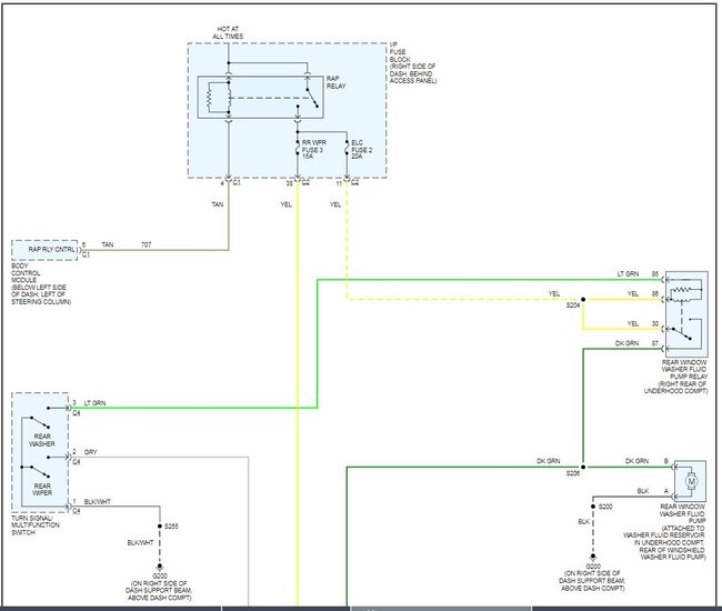
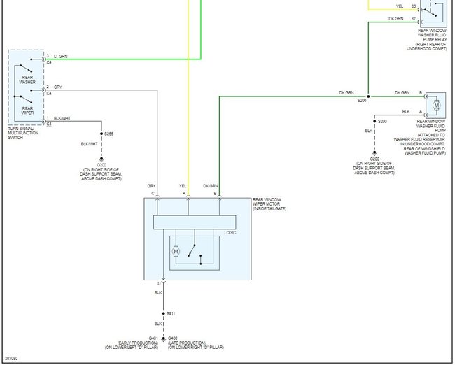
Wednesday, August 11th, 2010 AT 6:18 PM
My rear wiper does not work. The washer fluid does flow through but the wiper does not move. Would this be a motor issue or something else?


