Monday, July 30th, 2012 AT 5:25 PM
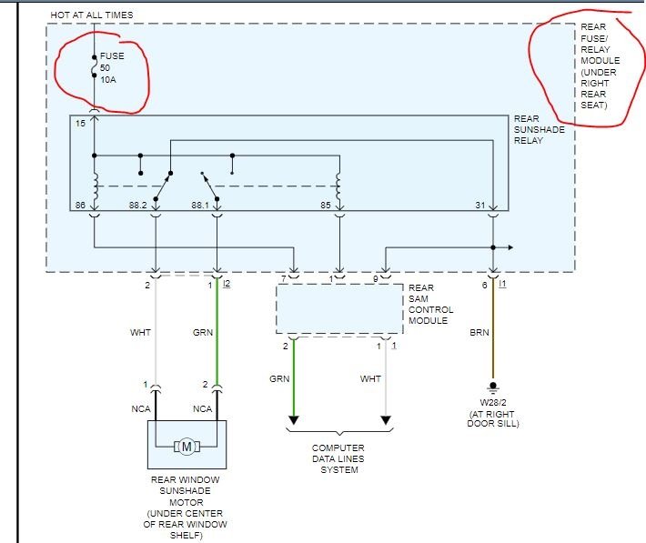
Upon pushing the rear window sunshade button, sunshade will not go down. Stuck in up position. Could this be a fuse problem? If so, were would the fuse be located? Thanks


